首页 解决方案 文旅 详细介绍

剧院剧场:360度全景舞台

2020-05-21

一、设计理念

打造声音还原度高、覆盖均匀且灵活的音频系统,满足交响乐、歌剧、话剧等多样演出需求,为观众带来沉浸式听觉体验。

二、场地分析与需求梳理

空间结构:剧场剧院空间大,包含舞台、乐池、观众席等区域。需保证舞台声音精准传至观众席,避免回声干扰。

演出类型:交响乐要求音域宽广、声音细腻;歌剧需清晰还原歌声与伴奏;话剧侧重台词清晰传达。

三、设备选型与布局

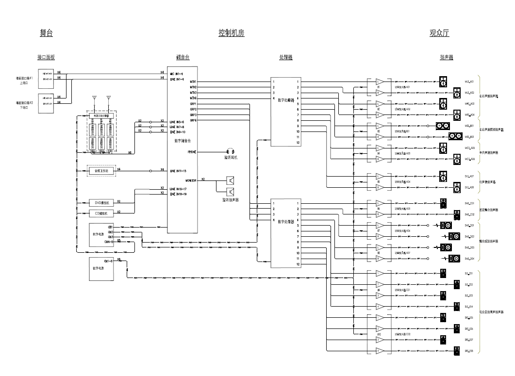
音箱系统

主扩声音箱:舞台两侧上方布置大型线阵列音箱,按剧场规模确定数量和型号,均匀覆盖观众席。

补声音箱:观众席后排和两侧安装小型全频补声音箱,匹配主扩声音箱音色,弥补覆盖不足。

舞台返听音箱:舞台前沿和乐池设高灵敏度、响应快的返听音箱,满足演员和乐手实时听声需求。

超低音箱:舞台下方或两侧放置超低音箱,增强低频,为演出增添震撼力。

麦克风系统

舞台麦克风:声乐表演用大振膜电容麦克风,乐器演奏按乐器选对应麦克风,如动圈式用于打击乐器,小振膜电容式用于弦乐器。另配无线领夹和手持麦克风方便演员移动。

观众席麦克风:观众席后排和中间区域装指向性麦克风,采集现场声音,增强互动。

音频处理器与功放

音频处理器:用专业数字音频处理器,对音频信号均衡、压缩等处理,优化音箱声音。

功率放大器:选匹配功率的功放,具备过热、过载等保护功能。

四、系统安装与调试

安装:剧场建设或装修时安装音频设备,精确计算音箱位置,做好线缆布线。

调试:安装后,用声学仪器测试剧场声学环境,依测试数据和演出需求调整音频处理器参数,再进行试听优化。